Zum Hauptinhalt springen Zur Suche springen Zur Hauptnavigation springen
we engineer your progress
Schneller Versand in 2 bis 3 Werktagen
Versand mit DHL
Zahlung per Vorkasse, PayPal und Rechnung

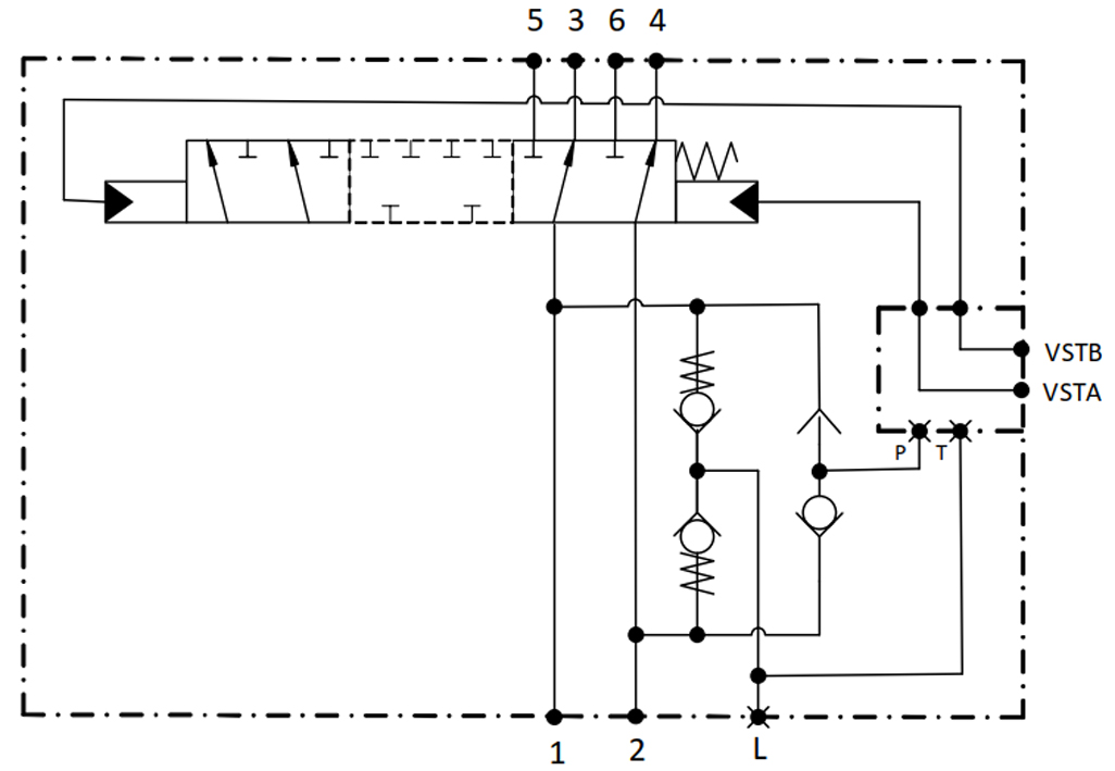
6/2 Wegeventil D62-2S, 150 lpm, hydraulisch

Produktinformationen "6/2 Wegeventil D62-2S, 150 lpm, hydraulisch"

Mit einem 6/2 Wegeventil lässt sich der Volumenstrom hinter einer Hauptsektion auf wahlweise 2 doppeltwirkende Verbaucher verteilen.Im geschalteten Zustand wird der neue Zusatzverbraucher betrieben. Die Umschaltung erfolgt hydraulisch.
Die Ventile sind nicht leckölfrei. Druckabsicherungen für den Zusatzverbraucher müssen extern installiert werden.
Ausführung: G 1/2" - hydraulisch - bis 420 bar - 150 l/min

Downloads