Zum Hauptinhalt springen Zur Suche springen Zur Hauptnavigation springen
we engineer your progress
Schneller Versand in 2 bis 3 Werktagen
Versand mit DHL
Zahlung per Vorkasse, PayPal und Rechnung

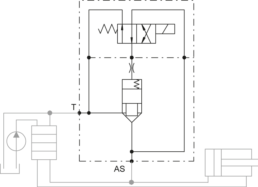
Freischaltventil - D22-1N

Produktinformationen "Freischaltventil - D22-1N"

Das 2/2 Wegeventil dient zur Verbindung oder Trennung von zwei hydraulischen Leitungen.
Es handelt sich um ein vorgesteuertes Ventil, das für hohe Drücke und Volumenströme ausgelegt und damit vor allen Dingen für mobile Anwendungen geeignet ist. In vielen hydraulischen Anwendungen werden durch hohe Rücklaufdrücke unnötige Energieverluste oder sogar Leistungseinbußen verursacht. Durch eine zusätzliche direkte Entlastung zum Tank mittels 2/2 Wegeventil können diese Verluste deutlich verringert werden. 2/2 Wegeventile werden verwendet, um z.B. bei Hydraulikbaggern die Rücklaufleitungen hydraulischer Werkzeuge an dem Hauptsteuerventil vorbei direkt mit dem Tank zu verbinden. Beim Betrieb von Hydraulikhämmern ist dies oft nötig, um eine einwandfreie Funktion des Gerätes zu erreichen. In anderen Anwendungen, wie dem Scherenbetrieb, lässt sich eine deutliche Leistungssteigerung erreichen.
Ausführung: Öffner - elektrisch - ungedämpft - 400 l/min