Zum Hauptinhalt springen Zur Suche springen Zur Hauptnavigation springen
we engineer your progress
Schneller Versand in 2 bis 3 Werktagen
Versand mit DHL
Zahlung per Vorkasse, PayPal und Rechnung

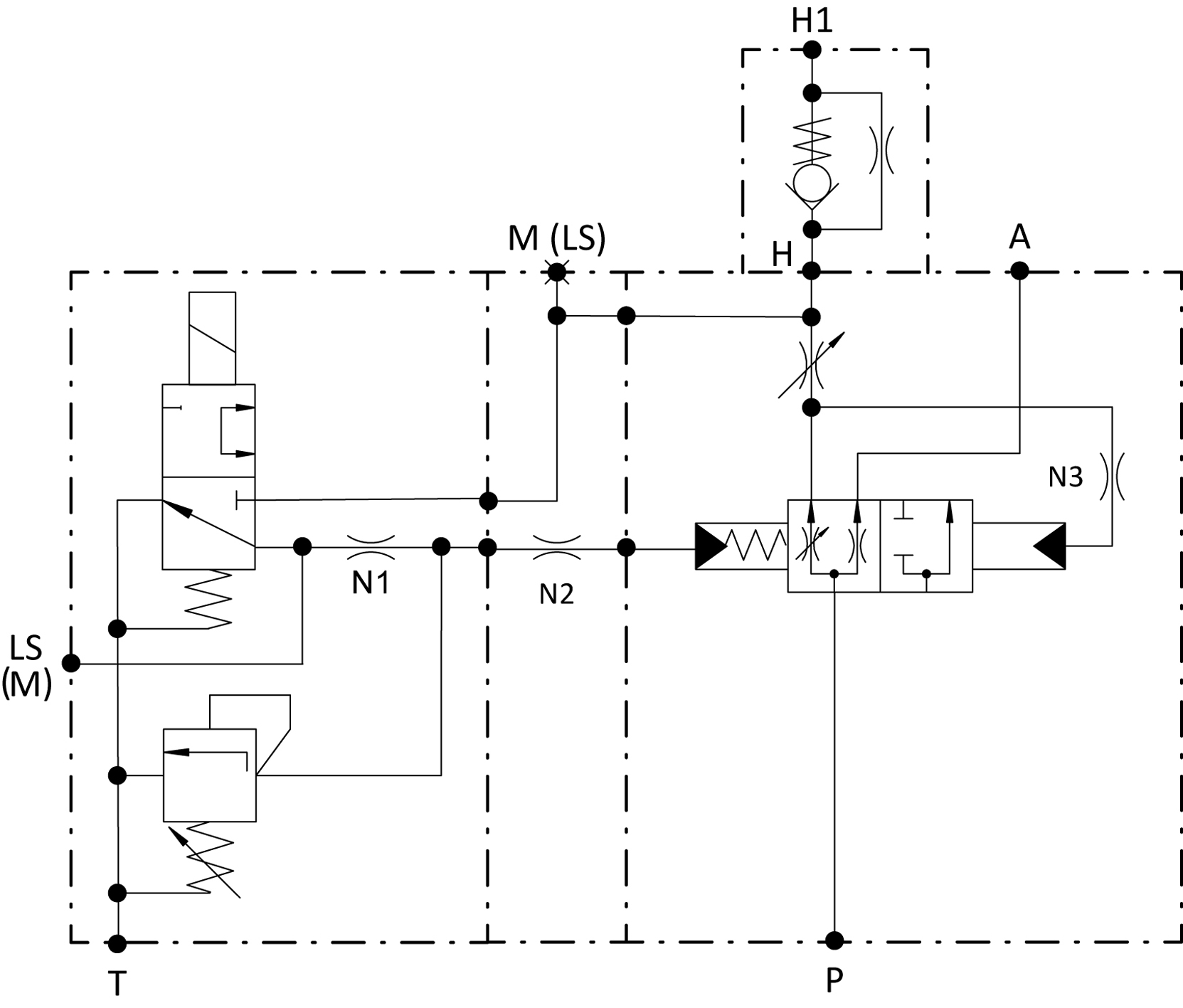
Stromregelventil - FC1-1N

Produktinformationen "Stromregelventil - FC1-1N"

Stromregelventile dieser Produktgruppe werden eingesetzt, um einfach wirkende Zusatzverbraucher,
wie Hydraulikmotoren, Hydraulikhämmer usw. mit einem geregelten Volumenstrom zu versorgen. Dieser Volumenstrom wird durch das Stromventil von einem Hauptvolumenstrom abgeteilt. Das Stromregelventil der Bauform 1N kann als 2-Wege- oder 3-Wege-Stromregler für Volumenströme bis zu 200 l/min eingesetzt werden und ermöglicht den Betrieb von einfach wirkenden Zusatzverbrauchern. Der Zusatzverbraucher kann gleichzeitig zu den normalen Maschinenfunktionen betrieben werden. Der Volumenstrom und Druck zum Zusatzverbraucher ist unabhängig vom Druck und dem Volumenstrom der Hauptverbraucher in der Maschine.
Ausführung: 3-Wege - elektrisch -200 l/min - mit Vorspannventil