Zum Hauptinhalt springen Zur Suche springen Zur Hauptnavigation springen
we engineer your progress
Schneller Versand in 2 bis 3 Werktagen
Versand mit DHL
Zahlung per Vorkasse, PayPal und Rechnung

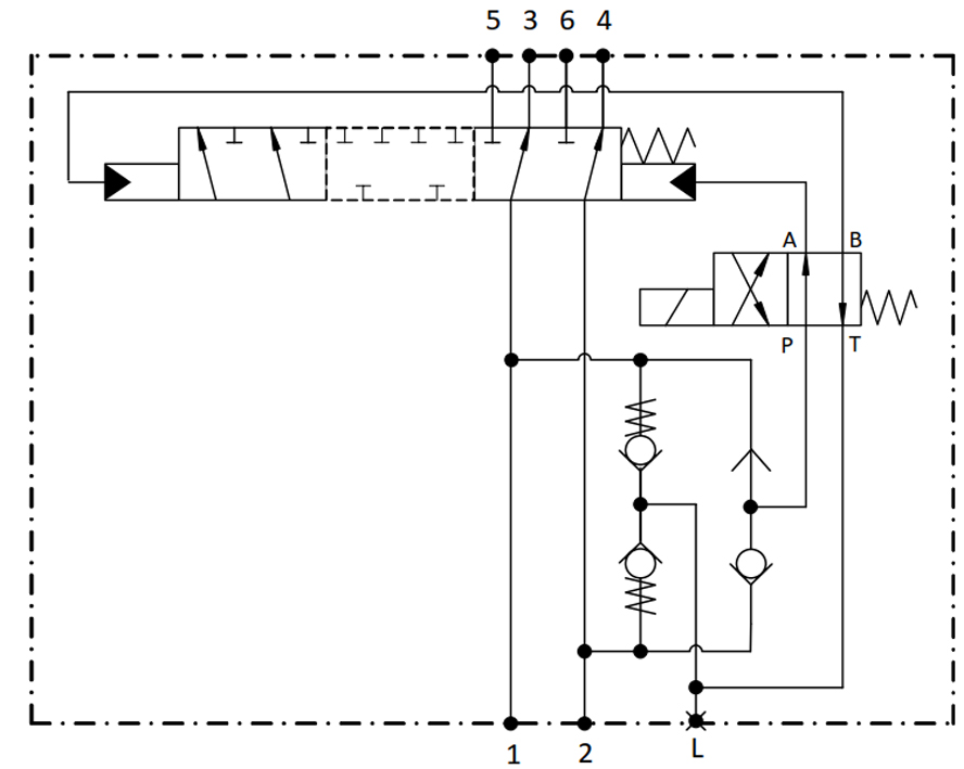
6/2 Wegeventil D62-2L, 400 lpm. elektrisch

Produktinformationen "6/2 Wegeventil D62-2L, 400 lpm. elektrisch"

Mit einem 6/2 Wegeventil lässt sich der Volumenstrom hinter einer Hauptsektion auf wahlweise 2 doppeltwirkende Verbaucher verteilen.Im geschalteten Zustand wird der neue Zusatzverbraucher betrieben. Die Umschaltung erfolgt elektrisch. In der elektrischen Ausführung wird der für den Schaltvorgang notwendige Steuerdruck aus der hochdruckführenden Zuleitung entnommen, so dass kein zusätzlicher Vorsteuerdruck bereitgestellt werden muss.
Die Ventile sind nicht leckölfrei. Druckabsicherungen für den Zusatzverbraucher müssen extern installiert werden.
Ausführung: G 1" - elektrisch - bis 420 bar - 400 l/min